Carrier 30HXC 75 Ton WaterCooled Chiller SKU 2752 YouTube

30hxc Carrier Manual. Carrier 30hxc Wiring Diagram It explains the control system, including the user interface, electronic expansion valves, and various safety features. 3 - DIMENSIONS, CLEARANCES, WEIGHT DISTRIBUTION 3.1 - 30HXC 080-190 30HXC-080 30HXC-090 30HXC-100 30HXC-110 Legend 30HXC All dimensions are in mm

Carrier 30hxc Chiller Troubleshooting Manual
Carrier 30hxc Chiller Troubleshooting Manual from schematicpartlowdown.z14.web.core.windows.net

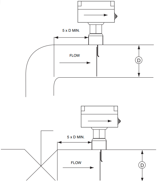
080-090-100 2558 1800 2200 1000 Evaporator 2565 1850 2200 1000 120-130-140-155 3275 1816 2990 1000 Condenser 3275 1940 2990 1000 175-190 Clearances required for operation and maintenance NOTE: Refer to the certified dimensional drawings supplied. View and Download Carrier 30HXC Series installation, operation and maintenance instructions online

Carrier 30hxc Chiller Troubleshooting Manual

This document provides detailed information on the setup, operation, and troubleshooting of these screw-compressor chillers Also for: 30hxc090, 30hxc100, 30gx series, 30hxc110, 30hxc130,. The CCN bus is also used to communicate to other CCN devices when the unit is installed in a network application

CARRIER 30HXC INSTALLATION, OPERATION AND MAINTENANCE INSTRUCTIONS Pdf. INSTALLATION, OPERATION AND MAINTENANCE INSTRUCTIONS Screw Compressor Water-Cooled Liquid Chillers 30HXC 080-375 Original instructions Nominal cooling capacity 30HXC: 286-1300 kW 50 Hz / 60Hz View and Download Carrier 30HXC Series installation, operation and maintenance instructions online

CARRIER 30HXC SERIES INSTALLATION, OPERATION AND MAINTENANCE. SAFETY CONSIDERATIONS 30HXC and 30GX liquid chillers are designed to provide safe and reliable service when operated within design specifications When operating this equipment, use good judgment and safety