125Cc Atv Wiring Wiring Diagram Taotao 125 Atv Wiring Diagram

Taotao 125cc Atv Wiring Diagram. Chinese 125Cc Atv Wiring Diagram An Essential Guide To Installing Your Understanding the wiring diagram for the particular ATV model is essential for getting the most out. tao-tao-atv-parts-cylinder-rebuild-kit-for 90cc-100cc-110cc-engines-p-13331.pdf Trouble Shooter Guide for BATTERY DRAINED Chinese Engines.txt

tao tao atv wiring diagram Wiring Diagram
tao tao atv wiring diagram Wiring Diagram from wiringdiagram.2bitboer.com

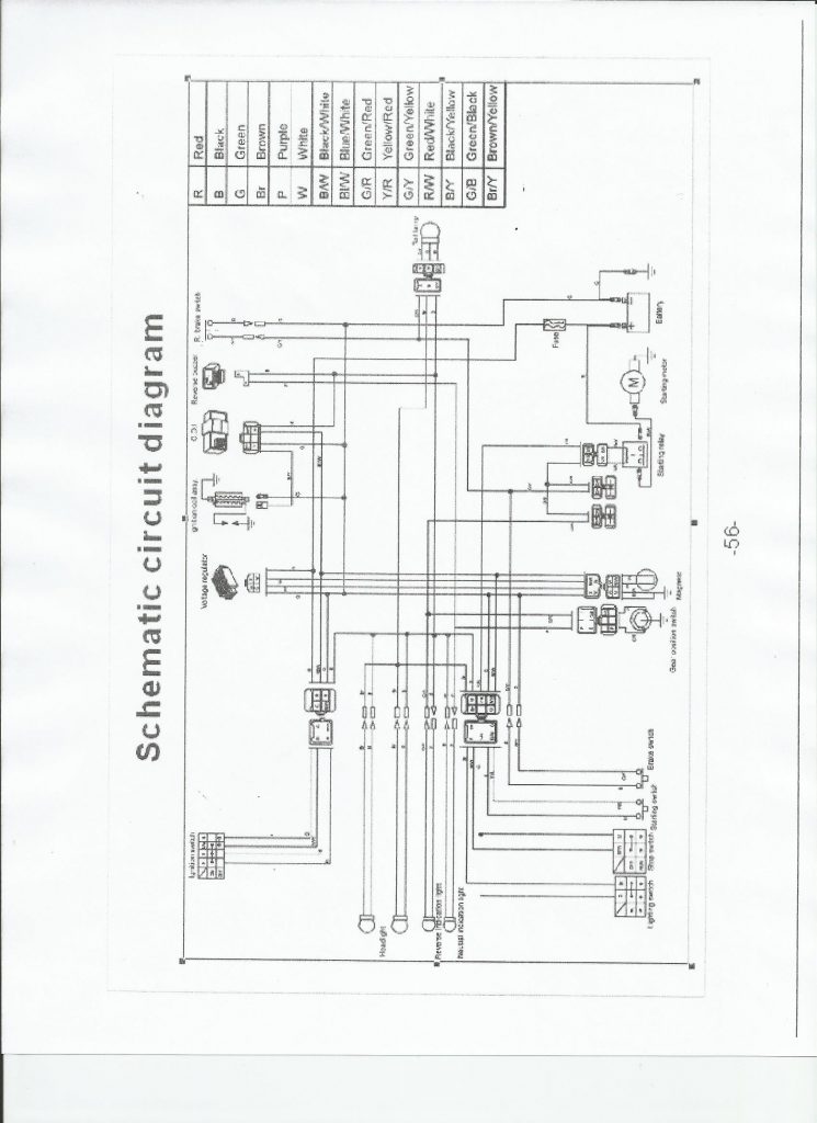
Key components: The wiring diagram for a Taotao 125 ATV typically includes the ignition switch, starter button, kill switch, ignition coil, CDI (Capacitor Discharge Ignition) unit, regulator/rectifier, battery, and various connectors TaoTao Mini and Youth ATV Wiring Schematic October 12, 2016 22:36

tao tao atv wiring diagram Wiring Diagram

This ATV complies with all applicable off-road noise level and spark arrester laws and NOTICE regulations Page 5 Please read and understand all of the labels on your D125. These components work together to provide power to the engine, lights, and other electrical devices on the ATV.

Taotao 125cc Atv Manual. These components work together to provide power to the engine, lights, and other electrical devices on the ATV. Compre Kill Light Starter Choke Switch For Taotao Roketa Atv Quad 90cc 110cc 125cc Barato.

125cc Taotao Atv Wiring Diagram. The Taotao 125cc atv wiring diagram is divided into several sections, each focused on a different aspect of the electrical system The Taotao 125 ATV wiring diagram typically includes information about the ignition system, lighting system, battery, charging system, and other electrical components